尚未登入會員
捷鑫牧場-雞肉批發,雞肉團購,雞肉宅配,台北雞肉批發,大安區雞肉批發
購物車(0)
匯款通知
關於捷鑫
商品訂購
滴雞精
生鮮雞肉
優惠專區
常見問題Q&A
餐飲合作
檢驗報告
食安小教室
部落格
最新消息
得獎紀錄
聯絡我們
餐飲合作
餐飲合作
>
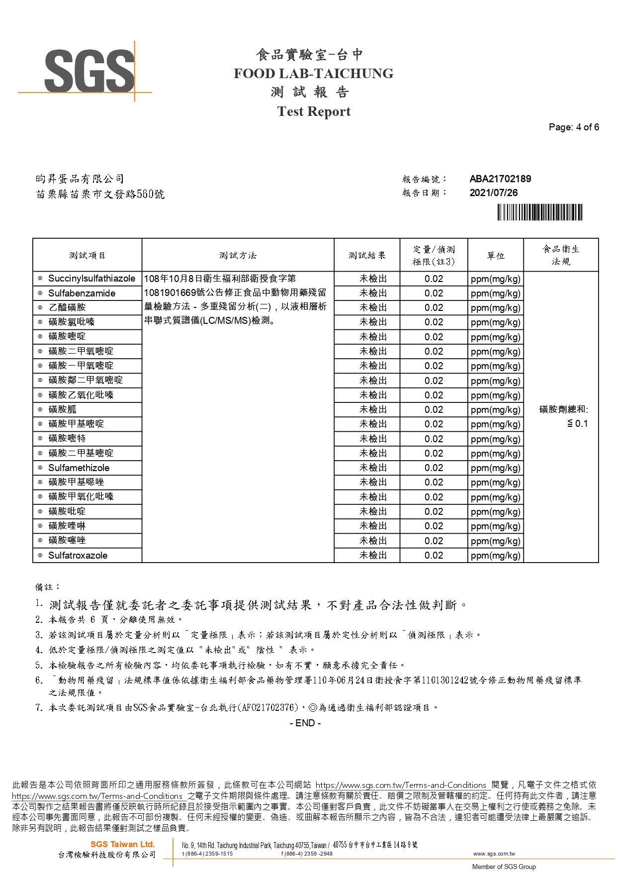
檢驗報告
> 2021/07/26
餐飲合作
餐飲合作
TOP
回首頁
匯款通知
購物車(0)